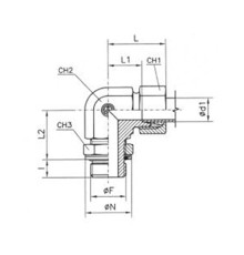
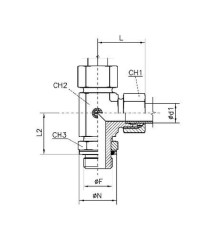
Ввертные регулируемые штуцера предназначены для создания герметичных и надежных соединений в гидравлических и пневматических системах промышленного оборудования. Они находят применение в машиностроении, станкостроении и других отраслях, где требуется точное подключение трубопроводов.
Использование качественных штуцеров позволяет минимизировать риск протечек, обеспечить стабильное давление в системе и повысить общую безопасность и долговечность коммуникаций. Это прямой вклад в бесперебойность вашего производства.
Мы предлагаем продукцию, соответствующую техническим стандартам, из прочных и коррозионностойких материалов. В ассортименте представлены различные типы, включая Тройник ввертной TN 516 и Угольник ввертный с уплотнительным кольцом и контргайкой TN 514, что гарантирует точный подбор под параметры вашей системы.
