- НаличиеВ наличии
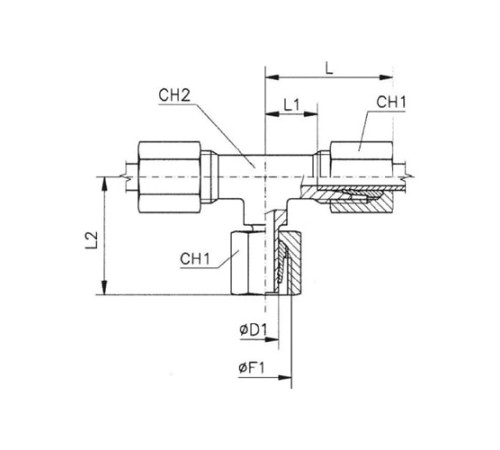
Тройники соединительные серии TN120 (штуцер-гайка-штуцер) предназначены для создания надежных ответвлений в гидравлических системах высокого давления. Они незаменимы в машиностроении, станкостроении и промышленном оборудовании, обеспечивая герметичное и прочное соединение трех контуров.
Изделия комплектуются накидной гайкой и врезным кольцом, что гарантирует быстрый монтаж и максимальную стойкость к вибрациям и перепадам давления. Польза от использования — повышенная надежность системы, долгий срок службы и минимизация риска протечек.
Мы предлагаем качественные тройники из латуни, отличающиеся коррозионной стойкостью и механической прочностью. Доступны различные варианты исполнения по диаметру: 6, 8, 10, 12, 15 и 22 мм (марки TN120-06L, TN120-08L, TN120-10L, TN120-12L, TN120-15L, TN120-22L).
Нет отзывов об этом товаре.
Пока нет вопросов об этом товаре. Станьте первым!
